SystemsModelParallelConnect[sys1,sys2]
connects the systems models sys1 and sys2 in parallel.
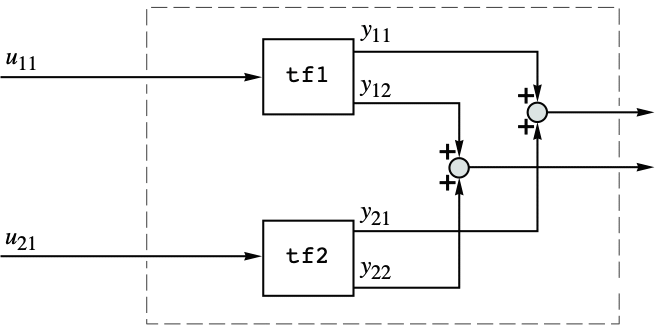
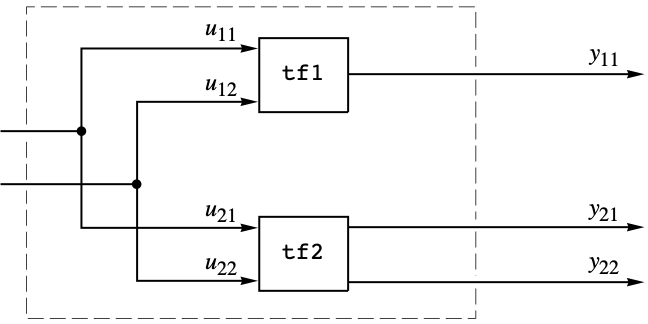
SystemsModelParallelConnect[sys1,sys2,{{in11,in21},…},{{out11,out21},…}]
connects the inputs in1i to inputs in2i and sums the outputs out1k and outputs out2k.
SystemsModelParallelConnect
SystemsModelParallelConnect[sys1,sys2]
connects the systems models sys1 and sys2 in parallel.
SystemsModelParallelConnect[sys1,sys2,{{in11,in21},…},{{out11,out21},…}]
connects the inputs in1i to inputs in2i and sums the outputs out1k and outputs out2k.
Details
- The systems model sysi can be a TransferFunctionModel, StateSpaceModel, AffineStateSpaceModel, or NonlinearStateSpaceModel.
- The inputs and outputs of the system produced by SystemsModelParallelConnect are the unions of the inputs and outputs of sys1 and sys2, respectively.
- The arguments inij and outij are integers specifying the positions of the input or output channels.
Examples
open all close allBasic Examples (4)
Connect two continuous-time systems in parallel:
Connect two discrete-time systems in parallel:
Parallel connect a two-output, one-input system and a one-input, one-output system:
Merge no inputs and sum no outputs:
Merge inputs and sum no outputs:
Merge no inputs and sum output 2 from sys1 with output 1 from sys2:
Merge inputs and sum output 2 from sys1 with output 1 from sys2:
Scope (14)
Basic Uses (7)
Connect a two-input, one-output system in parallel with a one-input, one-output system:
Use the first input of the two-input system:
Parallel connect a two-output system with a single-output system:
Use the first output of the two-input system:
Connect multivariable systems:
Merge the second input and sum the first output of each system:
Connect a StateSpaceModel to a TransferFunctionModel:
System Types (7)
Connect two TransferFunctionModel systems:
Using improper transfer functions:
Connect two StateSpaceModel systems:
Using descriptor state-space models:
Input linear AffineStateSpaceModel systems:
General nonlinear NonlinearStateSpaceModel systems:
Connecting a transfer function and state-space model will give a state-space model:
Reversing the order gives an equivalent state-space model:
They give the same transfer functions:
Connecting a standard linear system and an input linear system will give an affine model:
Connecting a standard linear or affine system with a nonlinear system gives a nonlinear model:
Generalizations & Extensions (3)
Applications (3)
Properties & Relations (3)
SystemsModelParallelConnect is essentially a summation operation:
SystemsModelParallelConnect is a special case of SystemsConnectionsModel:
The common input and summer blocks:
Use SystemsConnectionsModel to specify the connections:
A parallel connection leaves the states of the subsystems unchanged:
The resulting system has at least as many inputs as each subsystem:
Related Guides
Text
Wolfram Research (2010), SystemsModelParallelConnect, Wolfram Language function, https://reference.wolfram.com/language/ref/SystemsModelParallelConnect.html (updated 2014).
CMS
Wolfram Language. 2010. "SystemsModelParallelConnect." Wolfram Language & System Documentation Center. Wolfram Research. Last Modified 2014. https://reference.wolfram.com/language/ref/SystemsModelParallelConnect.html.
APA
Wolfram Language. (2010). SystemsModelParallelConnect. Wolfram Language & System Documentation Center. Retrieved from https://reference.wolfram.com/language/ref/SystemsModelParallelConnect.html
BibTeX
@misc{reference.wolfram_2025_systemsmodelparallelconnect, author="Wolfram Research", title="{SystemsModelParallelConnect}", year="2014", howpublished="\url{https://reference.wolfram.com/language/ref/SystemsModelParallelConnect.html}", note=[Accessed: 09-December-2025]}
BibLaTeX
@online{reference.wolfram_2025_systemsmodelparallelconnect, organization={Wolfram Research}, title={SystemsModelParallelConnect}, year={2014}, url={https://reference.wolfram.com/language/ref/SystemsModelParallelConnect.html}, note=[Accessed: 09-December-2025]}