SystemsConnectionsModel[{sys1,sys2,…},conxs,ins,outs]
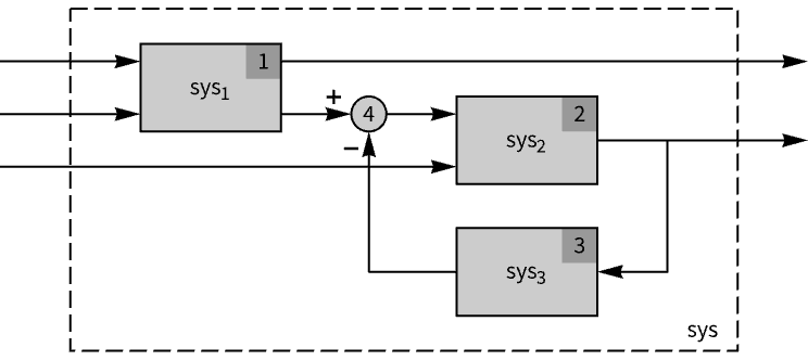
gives a model with inputs ins and outputs outs obtained by connecting the systems models sysi using connections conxs.
SystemsConnectionsModel
SystemsConnectionsModel[{sys1,sys2,…},conxs,ins,outs]
gives a model with inputs ins and outputs outs obtained by connecting the systems models sysi using connections conxs.
Details
- The systems model sysi can be a TransferFunctionModel, StateSpaceModel, AffineStateSpaceModel, NonlinearStateSpaceModel or another SystemsConnectionsModel.
- The p
input or output of sysi is referred to by the integer pair {i,p}. - Each connection in conxs must be specified as {i,p}->{j,q}.
- Each input and output in ins and outs must be specified as {i,p}.
Examples
open all close allBasic Examples (3)
Scope (6)
Applications (2)
A systems model with three subsystems running on an Arduino Uno microcontroller board:
The first subsystem is a moving-average filter:
The second subsystem is a ButterworthFilterModel:
The third subsystem compares the outputs of the earlier subsystems:
Properties & Relations (4)
SystemsModelMerge will try to merge a SystemsConnectionsModel:
SystemsModelSeriesConnect is a special case:
SystemsModelParallelConnect is a special case:
SystemsModelFeedbackConnect is a special case:
Related Guides
History
Text
Wolfram Research (2019), SystemsConnectionsModel, Wolfram Language function, https://reference.wolfram.com/language/ref/SystemsConnectionsModel.html.
CMS
Wolfram Language. 2019. "SystemsConnectionsModel." Wolfram Language & System Documentation Center. Wolfram Research. https://reference.wolfram.com/language/ref/SystemsConnectionsModel.html.
APA
Wolfram Language. (2019). SystemsConnectionsModel. Wolfram Language & System Documentation Center. Retrieved from https://reference.wolfram.com/language/ref/SystemsConnectionsModel.html
BibTeX
@misc{reference.wolfram_2025_systemsconnectionsmodel, author="Wolfram Research", title="{SystemsConnectionsModel}", year="2019", howpublished="\url{https://reference.wolfram.com/language/ref/SystemsConnectionsModel.html}", note=[Accessed: 01-April-2026]}
BibLaTeX
@online{reference.wolfram_2025_systemsconnectionsmodel, organization={Wolfram Research}, title={SystemsConnectionsModel}, year={2019}, url={https://reference.wolfram.com/language/ref/SystemsConnectionsModel.html}, note=[Accessed: 01-April-2026]}